让找料更便捷
电子元器件
采购信息平台
生意随身带
随时随地找货
一站式电子元器件
采购平台
半导体行业观察第一站
标签:
摘要: USB、SD卡、MMC卡、DVI/HDMI、CAN等接口,因为用户使用中经常性热插拔,板上的芯片非常容易受静电影响。这样对于接口就要加上保护器件防止损坏芯片。
USB、SD卡、MMC卡、DVI/HDMI、CAN等接口,因为用户使用中经常性热插拔,板上的芯片非常容易受静电影响。这样对于接口就要加上保护器件防止损坏芯片。
USB1.1、USB2.0、SD卡、MMC卡等接口,因为用户使用中经常性热插拔,板上的芯片非常容易受静电影响。这种应用场合不能使用普通的稳压管等信道进行保护,因为稳压管的反应速率太慢、且容性负载较大,会影响信道上的数据通信。NXP特提供以下方案供客户参考。
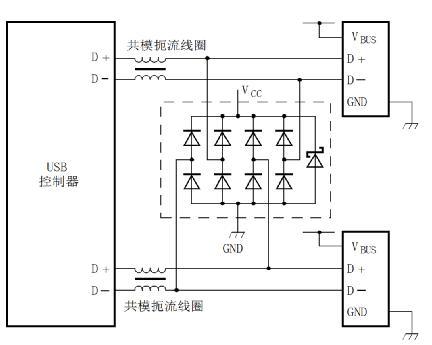
一、USB2.0的保护(PRTR5V0U4D用于双路USB)
下图为PRTR5V0U4D在双路USB应用中的连接示意图。

图13.22 PRTR5V0U4D在双路USB中的应用
二、SD卡的保护
下图为PESD5V0L6AS / PESD5V0L6US 在SD卡保护电路中的连接示意图。

图13.23 ESD器件在SD卡保护电路中的应用1
下图为PESD3V3L4Ux / PESD5V0V4Ux 在SD卡保护电路中的连接示意图。

图13.24 ESD器件在SD卡保护电路中的应用2
三、MMC多媒体卡的保护
下图为PESD3V3L4Ux / PESD5V0L4Ux / PESD3V3V4Ux / PESD5V0V4Ux 在MMC多媒体卡保护电路中的连接示意图。

图13.25 PESD器件在MMC多媒体卡保护电路中的应用
-电子元器件采购网(www、oneyac、com)是本土元器件目录分销商,采用“小批量、现货、样品”销售模式,致力于满足客户多型号、高质量、快速交付的采购需求。自建高效智能仓储,拥有自营库存超50,000种,提供一站式正品现货采购、个性化解决方案、选型替代等多元化服务。 (本文来源网络整理,目的是传播有用的信息和知识,如有侵权,可联系管理员删除)
在通讯及PC应用无处不在的今天,UPS电源也得到了大量的应用。所谓UPS(Uninterruptible Power System),即不间断电源,是将蓄电池(多为铅酸免维护蓄电池)与主机相连接,通过主机逆变器等模块电路将直流电转换成市电的系统设备。主要用于给计算机、计算机网络系统或精密仪器提供不间断且高质量的电力供应。
目前市场上流行的UPS主要有3类:后备式、在线式和线上交错式。

图1:后备式UPS运作框图
后备式又称为非在线式不间断电源(Off-Line UPS),它只是“备援”性质的UPS,市电直接供电给用电设备也为电池充电(Normal Mode),一旦市电供电品质不稳或停电了,市电的回路会自动切断,电池的直流电会被转换成交流电接手供电的任务(Battery Mode),直到市电恢复正常,“UPS只有在市电停电了才会介入供电”,不过从直流电转换的交流电是方波,只限于供电给电容型负载,如电脑和监视器。

图2:在线式UPS运作框图
在线式UPS(On-Line UPS)的运作模式为“市电和用电设备是隔离的,市电不会直接供电给用电设备”,而是到了UPS就被转换成直流电,再兵分两路,一路为电池充电,另一路则转回交流电,供电给用电设备;市电供电品质不稳或停电时,电池从充电转为供电,直到市电恢复正常才转回充电,“UPS在用电的整个过程是全程介入的”。

图3:在线互动式UPS运作框图
在线互动式(Line-Interactive UPS),基本运作方式和离线式一样,不同之处在于线上交错式虽不像在线式全程介入供电,但随时都在监视市电的供电状况,本身具备升压和减压补偿电路,在市电的供电状况不理想时,即时校正,减少不必要的“Battery Mode”切换,延长电池寿命。
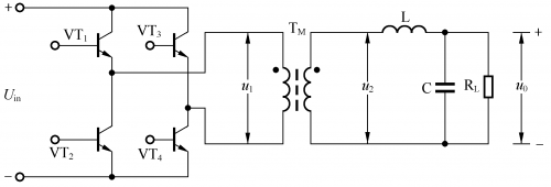
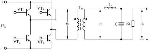
如上所述,无论是哪一类UPS,都会有逆变的环节,而逆变可分为:推挽式、半桥式、全桥式。下面以全桥式逆变来说明。


图4:全桥式逆变电路
在实际应用中,对于MOS管等的驱动,既需要很好的驱动能力,又对隔离有需求。而世强代理的Silicon Labs,作为业内著名的精密混合信号供应商,它推出的SI823X就可以很好地解决这个问题。关于SI823X物料更多的资讯方案可以在世强元件电商平台上下载。

图5:世强SI823X器件内部模块框图
世强代理的Si823x 驱动器采用 Silicon Labs 自主研发的硅隔离技术,提供符合 UL1577的 5 kVRMS 耐受电压以及 60 ns 快速传送时间。驱动器输出可连接到相同或独立的地线进行接地,或者连接到正或负电压。单个控制输入(Si8230/2/3/5/6) 或 PWM 输入 (Si8231/4) 配置提供滞后 >400 mV 的 TTL 级兼容输入。高度的集成、低传送延时、较小的外形及其灵活性和成本效益性使得 Si823x 系列非常适合 MOSFET/IGBT 门驱动器隔离应用。
因此,在逆变电路的应用中,世强SI823X不仅实现了隔离功能、驱动功能,还可以实现PWM输入、互补输出功能。另外,它还具备多个保护功能。具体有如下特点:
?一个封装内集成了两个完全隔离的驱动器;
?最高 5 kVRMS 输入到输出隔离;
?最高 1500 VDC 峰值驱动器到驱动器差分电压;
?HS/LS 和双驱动器版本;
?最高 8 MHz 切换频率;
?0.5 A 峰值输出 (Si8230/1/2);
?4.0 A 峰值输出 (Si8233/4/5/6);
?60 ns 最大传送延时;
?独立 HS 和 LS 输入或 PWM 输入版本;
?瞬态抑制 >30 kV/μs;
?重叠保护和可编程死区时间;
?工作温度范围:–40 至 +125 °C;
?通过UL/VDE/CSA 认证;
?符合RoHS标准。
-电子元器件采购网(www、oneyac、com)是本土元器件目录分销商,采用“小批量、现货、样品”销售模式,致力于满足客户多型号、高质量、快速交付的采购需求。自建高效智能仓储,拥有自营库存超50,000种,提供一站式正品现货采购、个性化解决方案、选型替代等多元化服务。 (本文来源网络整理,目的是传播有用的信息和知识,如有侵权,可联系管理员删除)
| 型号 | 厂商 | 价格 |
|---|---|---|
| EPCOS | 爱普科斯 | / |
| STM32F103RCT6 | ST | ¥461.23 |
| STM32F103C8T6 | ST | ¥84 |
| STM32F103VET6 | ST | ¥426.57 |
| STM32F103RET6 | ST | ¥780.82 |
| STM8S003F3P6 | ST | ¥10.62 |
| STM32F103VCT6 | ST | ¥275.84 |
| STM32F103CBT6 | ST | ¥130.66 |
| STM32F030C8T6 | ST | ¥18.11 |
| N76E003AT20 | NUVOTON | ¥9.67 |