让找料更便捷
电子元器件
采购信息平台
生意随身带
随时随地找货
一站式电子元器件
采购平台
半导体行业观察第一站
标签:
摘要: 简介: 无论从逻辑图还是功能表我们都可以看到74LS138的八个输出引脚,任何时刻要么全为高电平1—芯片处于不工作状态,要么只有一个为低电平0,其余7个输出引脚全为高电平1。如果出现两个输出引脚同时为0的情况,说明该芯片已经损坏。
74LS138为3线-8线译码器,共有54/74S138和 54/74LS138两种线路结构型式,其工作原理如下:
当一个选通端(G1)为高电平,另两个选通端(/(G2A)和/(G2B))为低电平时,可将地址端(A、B、C)的二进制编码在一个对应的输出端以低电平译出。利用 G1、/(G2A)和/(G2B)可级联扩展成 24 线译码器;若外接一个反相器还可级联扩展成 32 线译码器。若将选通端中的一个作为数据输入端时,74LS138还可作数据分配器。

无论从逻辑图还是功能表我们都可以看到74LS138的八个输出引脚,任何时刻要么全为高电平1—芯片处于不工作状态,要么只有一个为低电平0,其余7个输出引脚全为高电平1。如果出现两个输出引脚同时为0的情况,说明该芯片已经损坏。
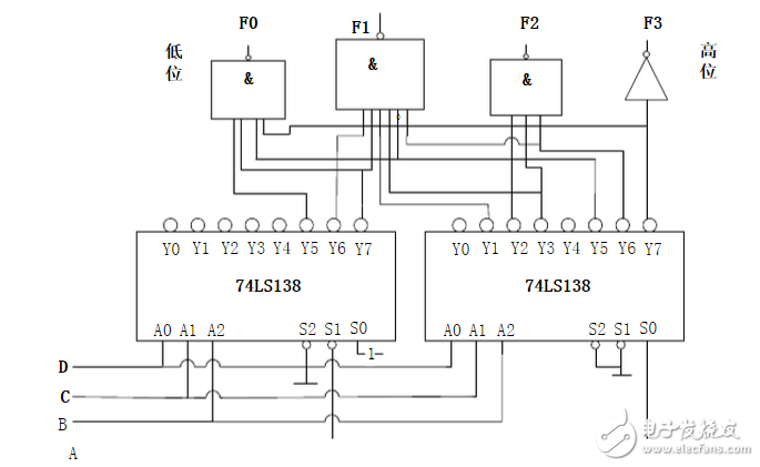
使用74138和必要的门电路设计一个乘法器电路。能实现两位二进制数相乘,并输出结果。

两位二进制数相乘真值表。设两个乘数是AB和CD,结果是F3F2F1F0

写出最小项逻辑表达式:
F3=m15
F2=m10+m11+m14→F2=(m10’m11’m14’)’
F1=m6+m7+m9+m11+m13+m14
F0=m5+m7+m13+m15
74ls138三个输入对应8个输出,意思就是一个3位的二进制输入对应一个10进制的一位例如ABC输入111那他那边的Y就会输出对应的一个位置如果ABC译码为8那Y里面就有一个位被弄为低电平。74ls138就是38译码器,是TTL系列的,也就是74系列,有三个输入端A0,A1,A2,其中A2是高位,输出是八个低电平输出Y0 ~ Y7,工作电压一般的5V。
用3线—8线译码器74LS138和门电路设计1位二进制全减器,输入为被减数、减数和来自低位的借位;输出为两数之差和向高位的借位信号(74LS138的逻辑框图如图所示)。
CO---向高位的借位 Y---两位数之差C1---来自低位的借位
真值表如下:其中A2=A0;A1=A1;A0=C1

故:Y=m1+m2+m4+m7;CO=m3+m5+m6+m7
其逻辑图如下:

74LS138实现全减器

| 型号 | 厂商 | 价格 |
|---|---|---|
| EPCOS | 爱普科斯 | / |
| STM32F103RCT6 | ST | ¥461.23 |
| STM32F103C8T6 | ST | ¥84 |
| STM32F103VET6 | ST | ¥426.57 |
| STM32F103RET6 | ST | ¥780.82 |
| STM8S003F3P6 | ST | ¥10.62 |
| STM32F103VCT6 | ST | ¥275.84 |
| STM32F103CBT6 | ST | ¥130.66 |
| STM32F030C8T6 | ST | ¥18.11 |
| N76E003AT20 | NUVOTON | ¥9.67 |