让找料更便捷
电子元器件
采购信息平台
生意随身带
随时随地找货
一站式电子元器件
采购平台
半导体行业观察第一站
标签:
摘要: 简介: LPC1788是一种适合嵌入式应用的Cortex-M3微控制器,具有较高的整合度和低功耗,运行频率为120 MHz。功能包括512 kB闪存、96 kB数据存储器、以太网、USB 2.0设备/主机/OTG、8通道DMA控制器、5个UART、2个CAN通道、3个SSP/SPI、3个I2C、I2S、8通道12位ADC、10位DAC、QEI、LCD控制器、SD/MMC接口、电机控制PWM、4个通用定时器、6输出通用PWM、带独立电池供电的超低功耗实时时钟以及最多165个通用I/O引脚。
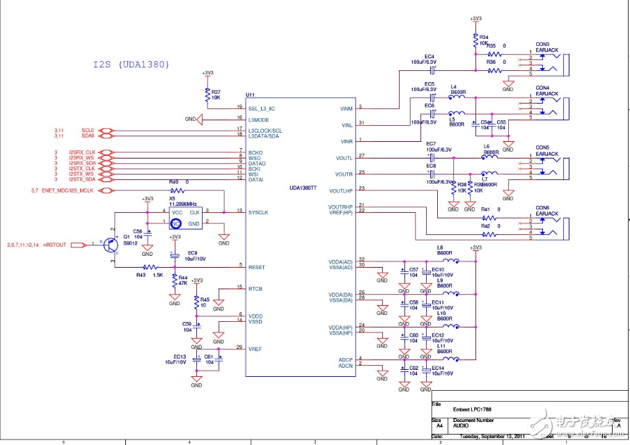
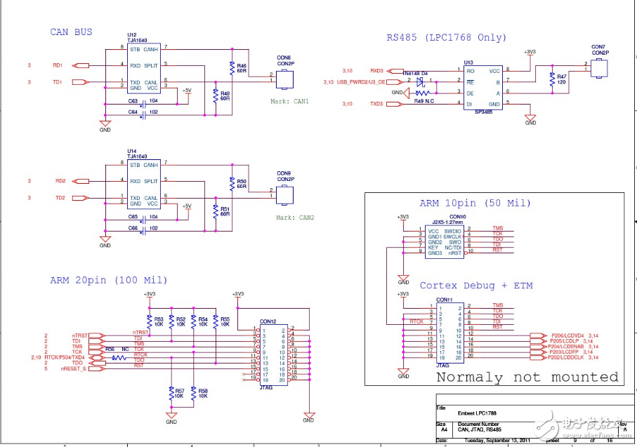
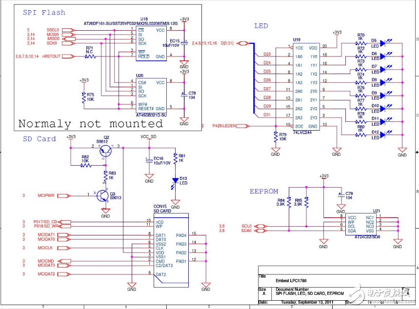
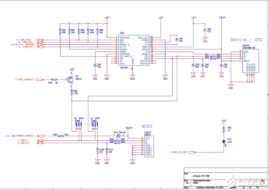
LPC1788是一种适合嵌入式应用的Cortex-M3微控制器,具有较高的整合度和低功耗,运行频率为120 MHz。功能包括512 kB闪存、96 kB数据存储器、以太网、USB 2.0设备/主机/OTG、8通道DMA控制器、5个UART、2个CAN通道、3个SSP/SPI、3个I2C、I2S、8通道12位ADC、10位DAC、QEI、LCD控制器、SD/MMC接口、电机控制PWM、4个通用定时器、6输出通用PWM、带独立电池供电的超低功耗实时时钟以及最多165个通用I/O引脚。
















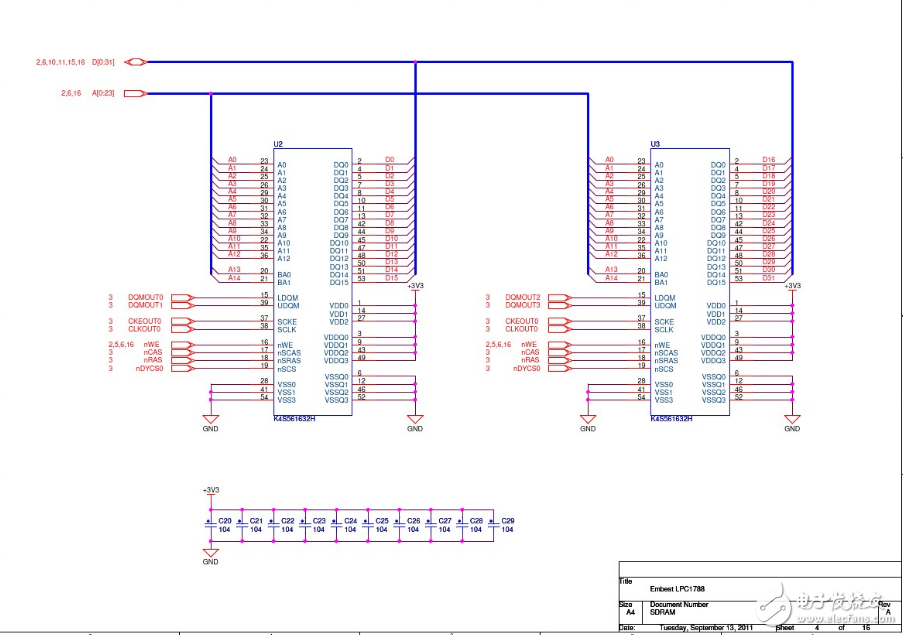
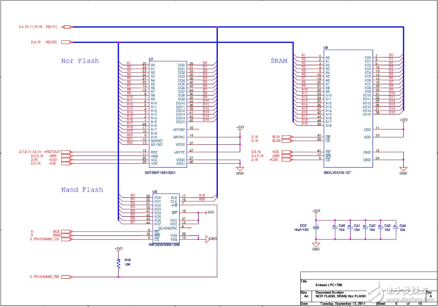
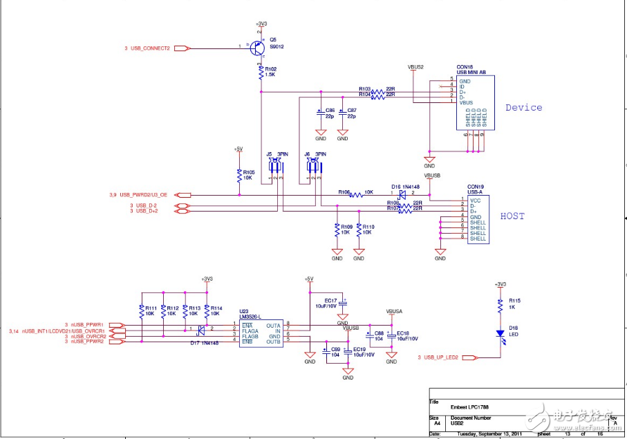
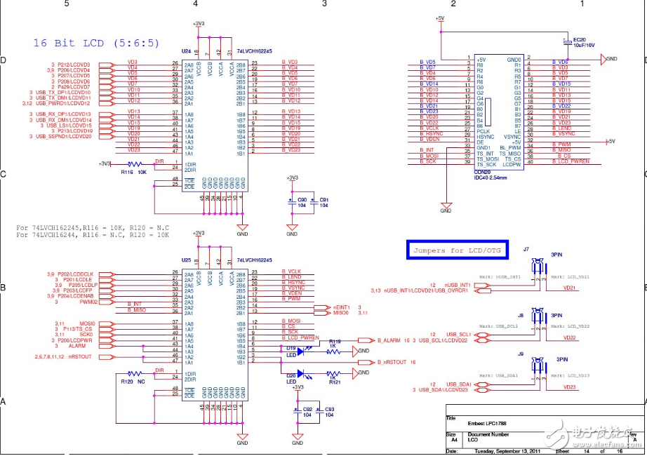
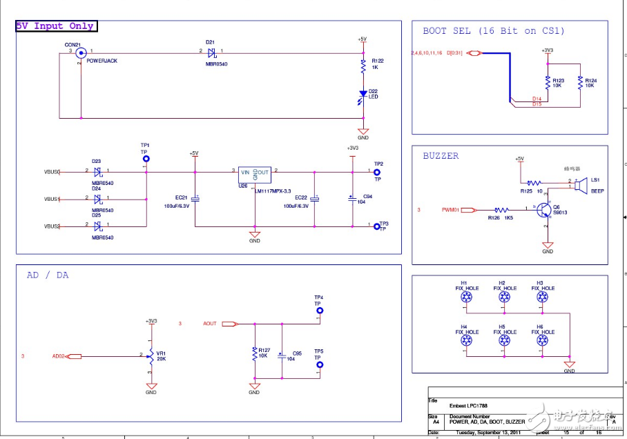
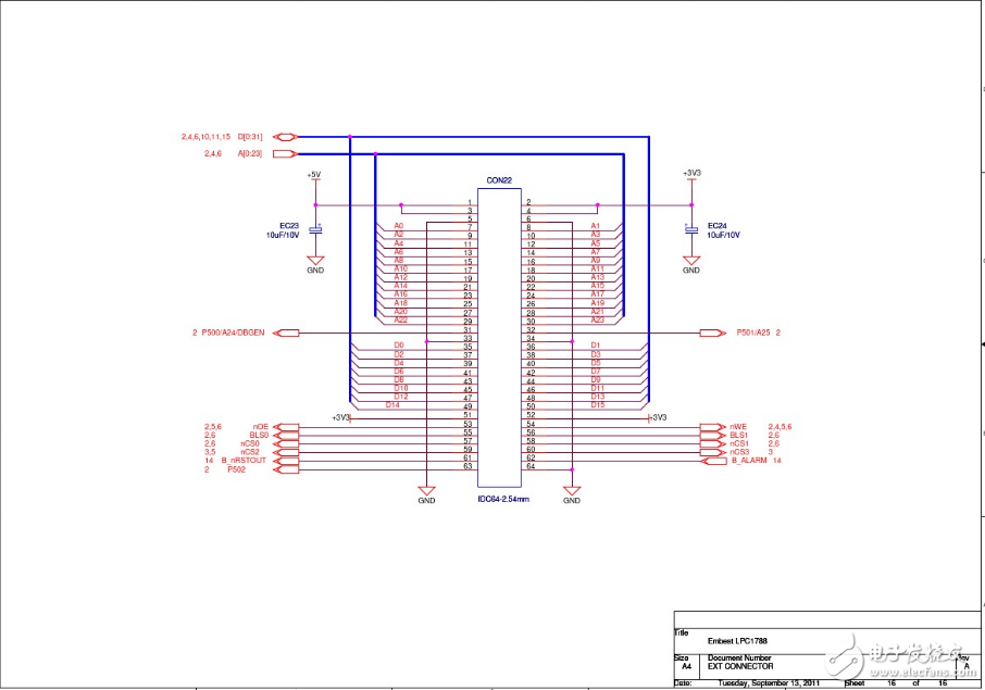
MYD-LPC1788开发板是由米尔科技推出的一款基于NXP(恩智浦)LPC1788 Cortex-M3内核的全功能开发板。该开发板具丰富的存储资源,包括片内512 KB FLASH、96KB SRAM和4KB EEPROM,以及片外32MB SDRAM、1MB SRAM、2MB NorFlash, 256B EEPROM, 4MB SPI Flash。

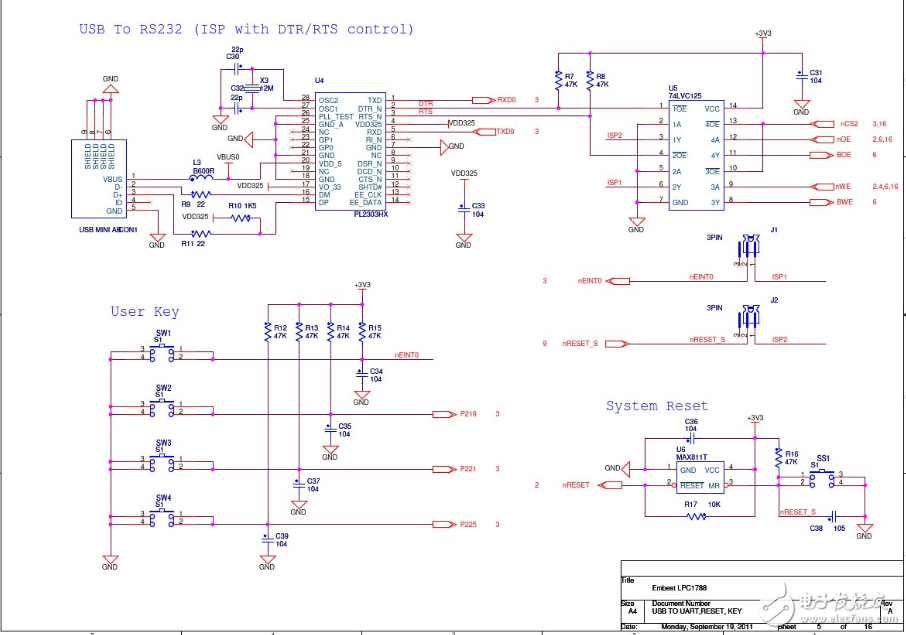
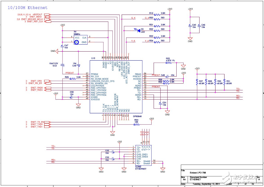
MYD-LPC1788开发板上扩展了SD Card、USB Host/Device/OTG、CAN、RS485、音频输入输出、以太网、LCD和JTAG等接口,丰富的外围资源和软件例程搭建了一个强大完善的开发平台,帮助客户在开发设计LPC1788上游刃有余。
应用领域
MYD-LPC1788系列开发板应用领域:便携式数据终端、汽车控制、工业控制、医疗设备、家庭自动化、自动化资讯娱乐设备、安防系统、教学仪器、测试与测量仪器等。
LM1117-3.3V稳压芯片各脚功能见附图,它可以接成固定输出和可调输出,应用电路见附图。


在电源设计中,经常需要用到各种电压基准,其最重要的要求就是输出电压稳压精度高,尤其是高低温时候的温漂要小。对高功率密度电源,还要求外围电路简单。在以往的多次电源设计中,我一般都是选择LM1117-5.0V,也是看中其外围电路极其简单,性能极其强大的特点,如下图所示,只需要输入输出各加一个电容就可以稳定输出5.0V。输出电流高达0.8A,电压稳定度0.2%,负载稳定度0.4%。还有SOT223封装。体积小。

我首先检查了LM1117的使用温度范围,确认为,LM1117I ,?40°C to 125°C的工作环境。使用没有问题。又用示波器测试了一下低温的输出电压,发现问题了,环路有震荡,输出纹波大。仔细查看规格书,发现问题了,LM1117对输出电容有要求。最好使用钽电容,ESR必须控制在0.3-22ohm!
但是由于钽电容的安全性以及可靠性的问题,公司严格限制使用,后来想出来一个替代的解决方法,如下图所示,输出串入一个1ohm的电阻,增加输出电容的ESR,实现环路的稳定。-40度环境测试,输出电压上升到4.92V,基本满足我的要求了。

由于需要5V的电压作为基准电压,使用了LM1117,电路都是按照规格书来做的,原边4个25V/10uF的陶瓷电容,输出2个25V/10uF的陶瓷电容。
由于只是做基准,负载电路很小,大约只有5mA.现在出问题了,在常温的时候,5.0V,很准确,但是到了-40度,输出电压只有4.81V,

通过这次问题的解决,有几点感受与大家分享:
1.对于元件的选择,除了输出输出等特性外,一定要确认是否满足你所需要的工作环境温度,这一点及其重要。
2.使用LM1117这一类的LDO,特别是对于固定输出的,其环路参数基本都是内置的,使用的时候一定要注意其环路稳定,特别是输出电容的选择,对于ESR一定要重点关注。
3.分析具体的问题,一定要用示波器多多测试问题波形,好的工具可以使你事半功倍。
下一篇:lm1117稳压 - 调压
| 型号 | 厂商 | 价格 |
|---|---|---|
| EPCOS | 爱普科斯 | / |
| STM32F103RCT6 | ST | ¥461.23 |
| STM32F103C8T6 | ST | ¥84 |
| STM32F103VET6 | ST | ¥426.57 |
| STM32F103RET6 | ST | ¥780.82 |
| STM8S003F3P6 | ST | ¥10.62 |
| STM32F103VCT6 | ST | ¥275.84 |
| STM32F103CBT6 | ST | ¥130.66 |
| STM32F030C8T6 | ST | ¥18.11 |
| N76E003AT20 | NUVOTON | ¥9.67 |