让找料更便捷
电子元器件
采购信息平台
生意随身带
随时随地找货
一站式电子元器件
采购平台
半导体行业观察第一站
标签:
摘要: TIDA-00982 参考设计是一款用于 2S1P 电池管理解决方案 (BMS) 的子系统设计,适用于无人机、机器人或无线电控制 (RC) 的项目和设计。...
TIDA-00982 参考设计是一款用于 2S1P 电池管理解决方案 (BMS) 的子系统设计,适用于无人机、机器人或无线电控制 (RC) 的项目和设计。可快速将监测、保护、平衡和充电功能添加至适用于无人机、机器人或 RC 产品的任何新设计,或使用此板将高级功能添加至现有设计。此TI参考设计将让您快速且轻松地投入工作并测试高级电池管理功能。
一、系统原理图

二、特性
1、补偿放电终止电压 (CEDV) 电量监测计可精确测量锂离子电池和锂聚合物电池中的可用电量
2、充电时具有集成型电池平衡
3、适用于电压、电流、温度、充电超时、CHG/DSG FETS 和 AFE 的可编程保护功能
4、适用于您的电池的诊断使用寿命数据监控器和黑盒记录器
5、板载 3.3V/5V 500mA 稳压器,可运行外部控制器
三、支持器件

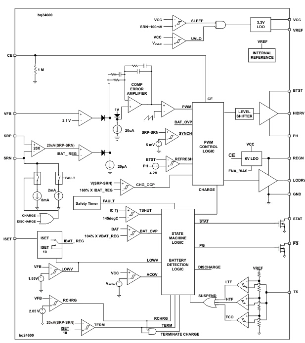
1、BQ24600:独立同步开关模式充电控制器

BQ24600 功能框图
2、TPS62175:4.5-28V 0.5A TIny Step-Down Converter

TPS62175典型应用框图
上一篇:中国协作机器人弯道超车时代已来临
| 型号 | 厂商 | 价格 |
|---|---|---|
| EPCOS | 爱普科斯 | / |
| STM32F103RCT6 | ST | ¥461.23 |
| STM32F103C8T6 | ST | ¥84 |
| STM32F103VET6 | ST | ¥426.57 |
| STM32F103RET6 | ST | ¥780.82 |
| STM8S003F3P6 | ST | ¥10.62 |
| STM32F103VCT6 | ST | ¥275.84 |
| STM32F103CBT6 | ST | ¥130.66 |
| STM32F030C8T6 | ST | ¥18.11 |
| N76E003AT20 | NUVOTON | ¥9.67 |