让找料更便捷
电子元器件
采购信息平台
生意随身带
随时随地找货
一站式电子元器件
采购平台
半导体行业观察第一站
标签:
摘要: 智能功率模块的原理与应用 ??? 由日本三菱电机公司开发出的IPM系列产品,属于第三代智能功率模块。它采用第三代IGBT来代替传统的功率MOSFET和双极型达林顿...
智能功率模块的原理与应用
由日本三菱电机公司开发出的IPM系列产品,属于第三代智能功率模块。它采用第三代IGBT来代替传统的功率MOSFET和双极型达林顿管,并配以功能完善的控制及保护电路,构成了一种理想的高频软开关模块。这类模块特别适用于正弦波输出的变压变频(VVVF)式变频器中。
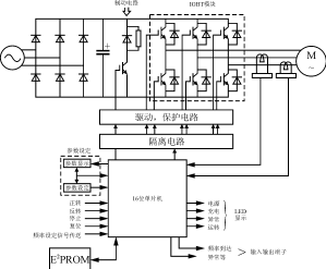
IPM系列产品的内部框图如图5所示。模块内部主要包括欠压保护电路、驱动IGBT的电路、过流保护电路、短路保护电路、温度传感器及过热保护电路、门电路和IGBT。该系列产品配16位单片机后构成的通用VVVF变频器的原理图,如图6所示。

图5 IPM系列产品的内部框图

图6 通用VVVF变频器的原理图
| 型号 | 厂商 | 价格 |
|---|---|---|
| EPCOS | 爱普科斯 | / |
| STM32F103RCT6 | ST | ¥461.23 |
| STM32F103C8T6 | ST | ¥84 |
| STM32F103VET6 | ST | ¥426.57 |
| STM32F103RET6 | ST | ¥780.82 |
| STM8S003F3P6 | ST | ¥10.62 |
| STM32F103VCT6 | ST | ¥275.84 |
| STM32F103CBT6 | ST | ¥130.66 |
| STM32F030C8T6 | ST | ¥18.11 |
| N76E003AT20 | NUVOTON | ¥9.67 |