让找料更便捷
电子元器件
采购信息平台
生意随身带
随时随地找货
一站式电子元器件
采购平台
半导体行业观察第一站
本词条由 用户提供,如果涉嫌侵权,请与我们客服联系,我们核实后将及时处理。
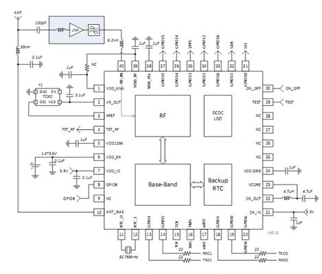
UBX-M8030-KT时间和频率产品为包括Femto无线基站在内的成本敏感型网络边缘设备提供多GNSS同步。UBX-M8030-KT集成电路提供完整的全球导航卫星系统接收器和参考频率控制功能。这款单芯片射频和基带IC只需要很少的外部元件:只是一个低成本的SQl闪存,用于程序和参数存储以及无源元件。
串口:1
USB:1
SPI:1
DDC(符合 I2C):1
最小供应量 [V]:1.40
最大电源 [V]:3.6
最高温度 [°C]:85
最低温度 [°C]:-40
尺寸 [毫米]:5 x 5 x 0.36
并发接收GPS/QZSS、GLONASS、北斗
行业领先的–167 dBm导航灵敏度
城区高楼林立深处的出色定位精度
最小板载空间,< 30mm2
最低e?BOM,仅需八个外部组件
超凡的抗干扰性
预留Galileo功能
引脚兼容UBX?G7020?KT/KA

| 厂商 | PDF简要描述 | 下载 |
|---|---|---|
|
U-BLOX
|