让找料更便捷
电子元器件
采购信息平台
生意随身带
随时随地找货
一站式电子元器件
采购平台
半导体行业观察第一站
标签:
摘要: 压力传感器用DG通用系列标准型全不锈钢焊接结构压力变送器,精确度最高可达0.1%FS,具有小体积、高性能、高性价比、高稳定性、高灵敏度等特点。差压传感器电压信号经滤波及正向跟随后接分压电阻。
压力传感器用DG通用系列标准型全不锈钢焊接结构压力变送器,精确度最高可达0.1%FS,具有小体积、高性能、高性价比、高稳定性、高灵敏度等特点。差压传感器电压信号经滤波及正向跟随后接分压电阻。压力传感器信号处理电路原理图:

-电子元器件采购网(www、oneyac、com)是本土元器件目录分销商,采用“小批量、现货、样品”销售模式,致力于满足客户多型号、高质量、快 速交付的采购需求。自建高效智能仓储,拥有自营库存超50,000种,提供一站式正品现货采购、个性化解决方案、选项替代等多元 化服务。
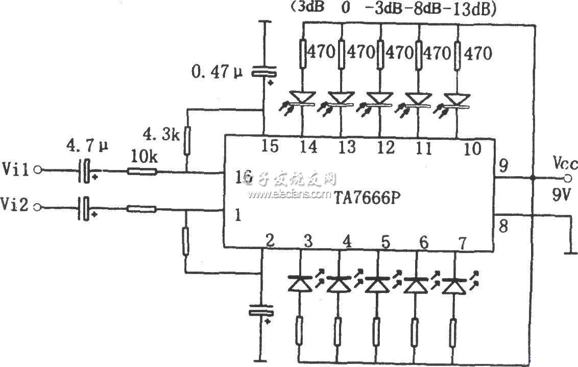
该电路的集成电路TA7666P为日本东芝公司的产品,与其同类的国内产品有TB7666P、XG7666P等,可直接互换使用。TA7666P双路五位LED电平显示驱动电路原理图:

-电子元器件采购网(www、oneyac、com)是本土元器件目录分销商,采用“小批量、现货、样品”销售模式,致力于满足客户多型号、高质量、快 速交付的采购需求。自建高效智能仓储,拥有自营库存超50,000种,提供一站式正品现货采购、个性化解决方案、选项替代等多元 化服务。
| 型号 | 厂商 | 价格 |
|---|---|---|
| EPCOS | 爱普科斯 | / |
| STM32F103RCT6 | ST | ¥461.23 |
| STM32F103C8T6 | ST | ¥84 |
| STM32F103VET6 | ST | ¥426.57 |
| STM32F103RET6 | ST | ¥780.82 |
| STM8S003F3P6 | ST | ¥10.62 |
| STM32F103VCT6 | ST | ¥275.84 |
| STM32F103CBT6 | ST | ¥130.66 |
| STM32F030C8T6 | ST | ¥18.11 |
| N76E003AT20 | NUVOTON | ¥9.67 |