让找料更便捷
电子元器件
采购信息平台
生意随身带
随时随地找货
一站式电子元器件
采购平台
半导体行业观察第一站
标签:
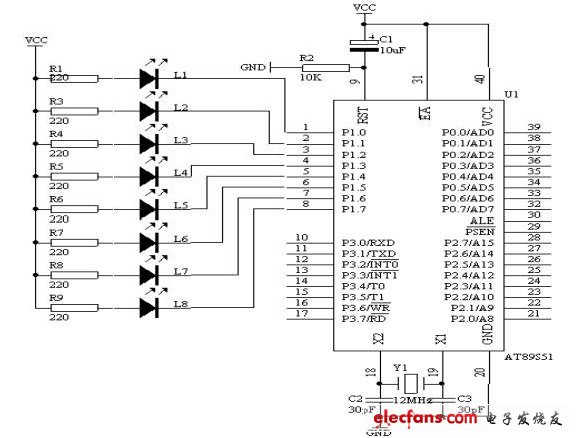
摘要: 做单一灯的左移右移,硬件电路如图所示,八个发光二极管 L1 - L8分别接在单片机的 P1.0 - P1.7 接口上,输出 “ 0 ” 时,发光二极管亮,开始时 P1.0 → P1.1 → P1.2 → P1.3 →┅→ P1.7 →
做单一灯的左移右移,硬件电路如图所示,八个发光二极管 L1 - L8分别接在单片机的 P1.0 - P1.7 接口上,输出 “ 0 ” 时,发光二极管亮,开始时 P1.0 → P1.1 → P1.2 → P1.3 →┅→ P1.7 → P1.6 →┅→ P1.0 亮,重复循环。
把 “ 单片机系统 ” 区域中的 P1.0 - P1.7 用 8 芯排线连接到 “ 八路发光二极管指示模块 ” 区域中的 L1 - L8 端口上,要求: P1.0 对应着 L1 , P1.1 对应着 L2 , … …P1.7 对应着 L8 。

图 基于单片机的广告灯的左右移动
-电子元器件采购网(www、oneyac、com)是本土元器件目录分销商,采用“小批量、现货、样品”销售模式,致力于满足客户多型号、高质量、快 速交付的采购需求。自建高效智能仓储,拥有自营库存超50,000种,提供一站式正品现货采购、个性化解决方案、选项替代等多元 化服务。
如下图所示, AT89S51 单片机的 P1.0 - P1.3 接四个发光二极管 L1 - L4 ,P1.4 - P1.7 接了四个开关 K1 - K4 ,编程将开关的状态反映到发光二极管上。(开关闭合,对应的灯亮,开关断开,对应的灯灭)。
1 . 把 “ 单片机系统 ” 区域中的 P1.0 - P1.3 用导线连接到 “ 八路发光二极管指示模块 ” 区域中的 L1 - L4 端口上;
2 . 把 “ 单片机系统 ” 区域中的 P1.4 - P1.7 用导线连接到 “ 四路拨动开关 ” 区域中的 K1 - K4 端口上。

-电子元器件采购网(www、oneyac、com)是本土元器件目录分销商,采用“小批量、现货、样品”销售模式,致力于满足客户多型号、高质量、快 速交付的采购需求。自建高效智能仓储,拥有自营库存超50,000种,提供一站式正品现货采购、个性化解决方案、选项替代等多元 化服务。
| 型号 | 厂商 | 价格 |
|---|---|---|
| EPCOS | 爱普科斯 | / |
| STM32F103RCT6 | ST | ¥461.23 |
| STM32F103C8T6 | ST | ¥84 |
| STM32F103VET6 | ST | ¥426.57 |
| STM32F103RET6 | ST | ¥780.82 |
| STM8S003F3P6 | ST | ¥10.62 |
| STM32F103VCT6 | ST | ¥275.84 |
| STM32F103CBT6 | ST | ¥130.66 |
| STM32F030C8T6 | ST | ¥18.11 |
| N76E003AT20 | NUVOTON | ¥9.67 |