让找料更便捷
电子元器件
采购信息平台
生意随身带
随时随地找货
一站式电子元器件
采购平台
半导体行业观察第一站
标签:
摘要:下图是单片机的双色无表针钟表的主控电路原理图。
下图是单片机的双色无表针钟表的主控电路原理图。如图可知:以AT89S51 单片机为控制核心,采用 74LS154(4-16 线译码器)扩展I/O 口以控制钟表的显示,并采用12 个红色LED 灯表示小时,12 个绿色LED 灯表示分钟,每隔5 分钟,变化一次。同一时间仅有两个LED 灯亮,节能、方便、易识别,且富有个性。

-电子元器件采购网(www、oneyac、com)是本土元器件目录分销商,采用“小批量、现货、样品”销售模式,致力于满足客户多型号、高质量、快 速交付的采购需求。自建高效智能仓储,拥有自营库存超50,000种,提供一站式正品现货采购、个性化解决方案、选项替代等多元 化服务。
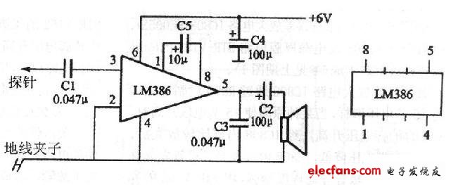
该集成电路信号寻迹器电路简单,仅需一片小功率集成功放电路LM386和5个电容就能组成整机,而且寻迹能力极强。从调谐回路至功放电路,都能方便地检出故障所在,由于声音宏亮,在检查中放及低放电路时,还可以用喇叭放音,无需老挂着耳机,使用很方便。

电路原理如上图所示。Cl为隔直电容;C2是输出电容;C3的作用是防止自激;C4是电源滤波电容。
信号经Cl从集成电路LM386的③脚输入,由于LM386的输入端是微电流偏置,而且有很宽的频响,所以不需外接二极管就能完成检波。信号经放大后由LM386⑤脚输出。LM386的①脚和⑧脚是增益控制,直接用10μF的电容把两脚连接起来,就可获得最高的增益。

该机印制电路板如下图所示。将全部元器件安装在一块2cm&TImes;3.5cm的印制电路板上,只要选用的元器件正确,接线无误,一般无需调试即可正常工作。耳机插座需进行改制,让它兼做电源开关。由于本信号寻迹器耗电甚少,静态电流只有4mA左右,可用4节5号电池供电,若用6V叠层电池,还可进一步缩小体积。
-电子元器件采购网(www、oneyac、com)是本土元器件目录分销商,采用“小批量、现货、样品”销售模式,致力于满足客户多型号、高质量、快 速交付的采购需求。自建高效智能仓储,拥有自营库存超50,000种,提供一站式正品现货采购、个性化解决方案、选项替代等多元 化服务。
| 型号 | 厂商 | 价格 |
|---|---|---|
| EPCOS | 爱普科斯 | / |
| STM32F103RCT6 | ST | ¥461.23 |
| STM32F103C8T6 | ST | ¥84 |
| STM32F103VET6 | ST | ¥426.57 |
| STM32F103RET6 | ST | ¥780.82 |
| STM8S003F3P6 | ST | ¥10.62 |
| STM32F103VCT6 | ST | ¥275.84 |
| STM32F103CBT6 | ST | ¥130.66 |
| STM32F030C8T6 | ST | ¥18.11 |
| N76E003AT20 | NUVOTON | ¥9.67 |