让找料更便捷
电子元器件
采购信息平台
生意随身带
随时随地找货
一站式电子元器件
采购平台
半导体行业观察第一站
标签:
摘要: 简介: 在电子技术中,N/2(N为奇数)分频电路有着重要的应用,对一个特定的输入频率,要经N/2分频后才能得到所需要的输出,这就要求电路具有N/2的非整数倍的分频功能。CD4013是双D触发器,在以CD4013为主组成的若干个二分频电路的基础上,加上异或门等反馈控制,即可很方便地组成N/2分频电路
在电子技术中,N/2(N为奇数)分频电路有着重要的应用,对一个特定的输入频率,要经N/2分频后才能得到所需要的输出,这就要求电路具有N/2的非整数倍的分频功能。CD4013是双D触发器,在以CD4013为主组成的若干个二分频电路的基础上,加上异或门等反馈控制,即可很方便地组成N/2分频电路。
通常,我们在应用中要求一个操作按键实现两种功能时,大多要借助单片机来完成,在没有单片机的情况下,就只好分别使用两个按键,或采用双刀切换等方式。
这里介绍一种由触发器构成的电路,通过操作按键时间的长短利用—个按键实现开机/关机的双重功能,可用于许多小型游戏机电路中。电路见下图。

图中以白炽灯HL代替用电设备,当按下SB时,R1、C1与R3、C2组成两个积分电路,由CD4000系列的特性可知,当CLK(CD4013的3脚)、R(CD4013的4脚)端的电位上升到1/2∞时,CD4013输出端发生改变,而CLK端到达的时间为SB按下后的t1,R端到达的时间为SB按下后的t2,由上图有:
t1=R1C1In2=1(s)
t2=R3C2In2=2.29(s)
即:当SB按下时间t为t1《t《t2时,CD4013在CLK与D端收到SB送来的信号后,使其2脚为低电平使VT导通;当SB按下时间t为t2《t时,VT关断。
如下图所示为一触摸式电器开关电路,电路简单,容易制作。
原理及制作:
开始通电时,由于继电器不吸合,电器电源回路未接通而不工作。当用手指接触金属片A时,人体感应信号加至BG3基极,令其导通.R1获得压降,使BG2正偏导通,继而BG1导通,LED点亮,同时继电器J得电流动作.其常开触点吸合,接通电器电源回路,电器开始工作。此时,手指离开金属触片A,继电器常开触点Jk仍可靠地吸合。当需要关闭用电器时.用户只要触摸金属片B,使BG4导通,此时相当于BG1基极对地短路.因此BG1、BG2同时截止,继电器失去电流触点Jk释放,从而切断电器供电电源。所需元件按照 中的标注选择,继电器可根据用电器的功率选择触点电流合适的即可

最近笔者设计了二线制、零待机功耗的触摸开关。该开关在待机(灯灭)时,完全不消耗电能,有利于环保。且灵敏度高、工作可靠、成本低。可取代现有普通触摸开关。详细电路见附图。
该开关的电路由控制电路、开态供电电路和电子开关等组成。开态供电电路和电子开关电路由VD1-VD9、VS和C1组成。其中VD5~VD8串联在VS的K极和地之间。因为PN结存在正向压降,当VS导通后,灯泡的电流将会在VS的G极和地之间产生3.5V左右(5个PN结)的电压,此电压经VD9对C1充电,这样C1便可为控制电路提供稳定持续工作电压。VD9是起隔离作用,防止C1上的电压直接经VS、R2形成回路,使VS无法关断。
下面介绍一下电路的工作原理。220V交流电经VD1~VD4整流后变为直流电,供电路使用。从图中可以看出,电源没有为控制电路提供待机电压。在VS关断(关灯)状态,整个电路不消耗电能。当用手触摸金属片A时,人体的电流一路通过R1加到VT1基极.使VT1导通,220V直流电经VT1、VD9、C1形成回路,C1迅速被充电。A点电压随着C1上的电压上升而上升,当A点电压大于VS的G、K极导通电压时,VS经R2获得触发电压被触发导通,灯泡被点亮。VS导通后,灯泡的电流在VS的G极和地之间,产生3.5V左右的电压,此电压经VD9对C1充电,电压继续上升,IC(IC接成双稳态电路)得电工作。人体的电流另一路经R3加到VT2基极,使VT2导通,IC的②、⑥脚经C2获得低电平,使③脚输出正(即IC在刚通电时输出为正),此正电经R4加到VS的G极。这样VS便可继续获得触发电压,可继续导通,C1可继续为电路提供电压,电路自锁。这时可将手拿开。开关可自己维持导通。在开关导通后的几秒钟之内,C2将被充满电,VT3随之导通,将VT1的输入切断,为关灯作好准备。当再次触摸金属片时,VT1不通,VT2导通,C2上的高电平经VT2加到IC的②、⑥脚,使③脚的输出反转,由正变为负,VS失去触发电压自行关断,灯泡熄灭。由于C2的容量较大,VT3的导通会持续几秒钟,只要这段时间内将手拿开,即可顺利地切断开关。
C3的作用是在开灯状态下,防止电路因受到电网中高压脉冲的干扰而使电灯熄灭。

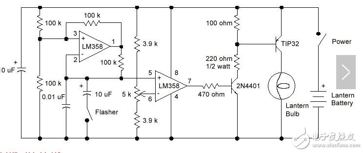
基本上一个高效的调光器,但也可以用作闪光。在调光模式下,LM358(双运放)是连接到发送脉冲以恒定的频率。通过调整这些脉冲的宽度,控制灯泡的亮度。在闪光模式下,使用相同的电位计来控制频率——从1到20每秒闪烁。
通过降低亮度功耗大幅下降,从而延长电池寿命。闪光模式更加有效。这个漂亮的小电路

如果给你家里的台灯加装一个感应式触摸开关,在使用时不仅能给你带来乐趣,还能使你在使用时更加方便。

该装置电路见图1。当人手碰一下金属触片A,人体上的杂波信号便通过C3加到时基电路的②脚,②脚被触发,整个触发器翻转,③脚输出高电平,输出经限流电阻R加到可控硅控制极,可控硅VS导通,ZD点亮。
需要关灯时,用手碰一下金属片B,感应信号经C4加到时基电路的⑥脚,⑥脚被触发,③脚输出低电平,可控硅失去触发电流而截止,电灯熄灭。电路中的C3、C4是耦合电容,又能防止因个别元件的破坏而造成的麻电现象。电路中的C1、C1、VD、VDW组成6V直流供电电源。
元器件选择与制作
元器件清单见左表。

电路因体积较小,可以装在一个盒子内,电路不用调试,一般一次就能成功。
本电路因体积较小,可以装在一个盒子内,电路不用调试,一般一次就能成功。
现在市场上出售的调光控制开关一般是非线性的,调节时会带来闪烁。本文介绍是线性的调节电路供电子制作参考。
下图为一线性调光器控制电路。交流230V经D1~D4整流后,其正端经1安培熔丝接至100W灯泡,负端则直接接至可控硅阴极。直流电压经100W灯泡后,又经R1、R2加至12V齐纳管D5,给T1发射极提供稳定偏压。徐徐转动VR1,T1发射极电压也徐徐增加,使R4两端电压上升,可控硅的导通角增加,于是灯泡亮度增加,图中VR1的值,可使100W灯泡的亮度在15W至60W左右的范围内均匀改变。

在电子技术中,N/2(N为奇数)分频电路有着重要的应用,对一个特定的输入频率,要经N/2分频后才能得到所需要的输出,这就要求电路具有N/2的非整数倍的分频功能。CD4013是双D触发器,在以CD4013为主组成的若干个二分频电路的基础上,加上异或门等反馈控制,即可很方便地组成N/2分频电路。
CD4013由两个相同的、相互独立的数据型触发器构成。每个触发器有独立的数据、置位、复位、时钟输入和Q及Q输出。此器件可用作移位寄存器,且通过将Q输出连接到数据输入,可用作计数器和触发器。在时钟上升沿触发时,加在D输入端的逻辑电平传送到Q输出端。置位和复位与时钟无关,而分别由置位或复位线上的高电平完成。
这篇文章主要就是和大家详细介绍CD4013的双D触发器,好让大家对CD4013有一个更加全面的了解。

4013 双D触发器结构功能原理应用电路
交流220V电压经VD1~VD4整流、R1限流、C1滤波及VS稳压后,为光控电路和执行电路提供+12V工作电压。
白天,RG1和RG2受光照射而呈低阻状态,IC的S1端为低电平,R1端为高电平,1端输出低电平,VT处于截止状态,K处于释放状态,照明灯EL不亮。
夜晚,RG1和RG2因无光照射或,使IC的S1端变为高电平,R1端变为低电平,Q1端输出高电平,VT饱和导通,K通电吸和,其常开触头接通,EL点亮。
天亮后,RG1和RG2阻值下降,IC的Q1端又输出低电平,VT截止,K释放,EL熄灭。4013 是集成触发器芯片,内部有两个独立的D触发器。每个触发器都有一个置位端(SET),复位端(RESET),时钟端(CLOCK),数据输入端(DATA),两个输出端Q和Q/端。


当R为1、S为0时,无论D和CL(时钟)为什么状态,输出Q一定为0,因此R可称为复位端。当S为1、R为0时,输出Q一定为1,s称为置位端。
当R、S均为0时,Q在CP端有脉冲上升沿到来时动作,具体是Q=D,即若D为1则Q也为1,若D为0则Q也为0。

按下S1 ,R=1,电路复位,Q端输出0,按下S2,S=1,电路置位,Q端输出1.为1时三极管导通,继电器得电动作。按下S2后,继电器始终保持吸和状态,只有按下S1继电器触点才释放。此电路为 基本的RS触发器。

当S1未被按下时,复位端R=O,否则如果R=l,电路将强行复位 Q=0, 所充电荷通过R2向Q端放电,最终使R=0,这是电路的稳态。当按一下S1,CP端电位由“O 到1 ,其上升沿触发电路传输D端的数据,因D=1,所以Q=1,此为暂稳态。Q端的高电位通过R2向C充电.当c两端电压达到复位电平时.则R=1,电路复位,Q 端变为低电平?0’.暂稳态结束,电路回复到稳态。上图作为楼道灯延时关灯线路,稳态时,Q 端为低电平,三极管 截止,继电器不工作,灯泡不亮 当按一下S1,电路进人暂稳态.Q=1,三极管饱和导通,继电器得电,其常开触点吸合接通梯道灯,灯点亮.暂稳态过后,灯自动熄灭。暂稳态时间即为灯泡点亮的时间,由R2和C的参数决定。

设在电源接通后的瞬阀Q 端精出为高电平,该高电平通过RP2向C2充电,当C2端电压上升到复位电平时.Q 端为变为低电平,C2通过VD2
向Q端放电 当Q 端为低电平时,因Q/ 为Q 的倒相输出端,所以Q\ 为高电平,该高电平通过RP1向C1充电.当c1端电压上升到置位电平时,电路置数,Q 变为高电平,Q变为低电平,Q端的高电平向c2充电,Q端的低电平使c1向它放电,如此循环 在Q 和Q端交替出现高低电平,形成振荡。因电路的输出端Q和Q没有一个稳定的状态 所以该电路叫无稳态振荡器:Q端的振荡信号加到三极管的基极放大,推动扬声器发出响亮的音频叫声:振荡频率由RP1.RP2.C1,C2决定 因此也称为音频信号发生器。

| 型号 | 厂商 | 价格 |
|---|---|---|
| EPCOS | 爱普科斯 | / |
| STM32F103RCT6 | ST | ¥461.23 |
| STM32F103C8T6 | ST | ¥84 |
| STM32F103VET6 | ST | ¥426.57 |
| STM32F103RET6 | ST | ¥780.82 |
| STM8S003F3P6 | ST | ¥10.62 |
| STM32F103VCT6 | ST | ¥275.84 |
| STM32F103CBT6 | ST | ¥130.66 |
| STM32F030C8T6 | ST | ¥18.11 |
| N76E003AT20 | NUVOTON | ¥9.67 |