让找料更便捷
电子元器件
采购信息平台
生意随身带
随时随地找货
一站式电子元器件
采购平台
半导体行业观察第一站
标签:
摘要: 简介: CMOS是互补金属氧化物半导体,电压控制的一种放大器件,是组成CMOS数字集成电路的基本单元。它是指制造大规模集成电路芯片用的一种技术或用这种技术制造出来的芯片,是电脑主板上的一块可读写的RAM芯片。因为可读写的特性,所以在电脑主板上用来保存BIOS设置完电脑硬件参数后的数据,这个芯片仅仅是用来存放数据的。
CMOS是互补金属氧化物半导体,电压控制的一种放大器件,是组成CMOS数字集成电路的基本单元。它是指制造大规模集成电路芯片用的一种技术或用这种技术制造出来的芯片,是电脑主板上的一块可读写的RAM芯片。因为可读写的特性,所以在电脑主板上用来保存BIOS设置完电脑硬件参数后的数据,这个芯片仅仅是用来存放数据的。
而对BIOS中各项参数的设定要通过专门的程序。BIOS设置程序一般都被厂商整合在芯片中,在开机时通过特定的按键就可进入BIOS设置程序,方便地对系统进行设置。因此BIOS设置有时也被叫做CMOS设置。
在电子技术中,N/2(N为奇数)分频电路有着重要的应用,对一个特定的输入频率,要经N/2分频后才能得到所需要的输出,这就要求电路具有N/2的非整数倍的分频功能。CD4013是双D触发器,在以CD4013为主组成的若干个二分频电路的基础上,加上异或门等反馈控制,即可很方便地组成N/2分频电路。
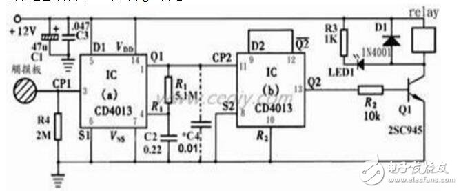
这个电路是使用,CMOS集成电路CD4013双D正反器,分别接成一个单稳态电路和一个双稳态电路。单稳态电路的作用是对触摸信号进行脉波宽度整形,保证每次触摸动作都可靠。双稳态电路用来驱动晶体管Q1的开通或关闭,进而控制继电器。
以下是基本原图: 可以用5V供电

M为触摸电极片,手指摸一下M,使人体泄漏的交流电在R4上的压降,其正半周信号进入IC1的第3脚即单稳态电路的CP端,使单稳态电路反转进入瞬时,其输出端Q即1脚由原来的低电位跳变为高电位,此高电位经R1向C2充电,使4脚即R1端的电位上升,当上升到复位(Reset)电位时,单稳态电路复位,1脚恢复低电位。所以每触摸一次电极片M,1脚就输出一个固定宽度的正脉波。此正脉波将直接加到11脚即双稳态电路的CP端,使双稳态电路反转一次,其输出端Q即13脚电位就改变一次。当13脚为高电位时,Q1的基极透过R2获得正向电流而开通,使继电器动作,进而以它的接点来做控制。由此可见,每触摸一次电极片M,就能实现继电器“开”或“关”的动作。
组件选择与制作,CD4013型双D正反器数字集成电路,它采用14脚双列直插式塑封包装。 Q1采用CS9013或2SC945等小功率NPN晶体管即可。
以下附上CD4013 的接脚图及真值表:


在实际的制作上我发现了一些问题,有几点要特别再跟大家说明一下:
1. 尽量以市电经变压器降压的方式来获取5V的供电:因为使用电池供电时,有时会有不能触发的情形,因为使用电池供电时,电路本身跟大地并没实际的连接,导致人体对地泄漏的交流电并没和电路的接地发生关连,所以进入触摸点的电压也跟着变小。实际应用中发现用手拿金属物品点触,效果会更好。
2. 输入对地电阻R4(2M),也是会影响灵敏度,如果发现不够灵敏,可以把2M的电阻再加大,如2.7M。
a、按控制方式不同分为:无控制,就地控制,集中控制;
b、按灯具点亮时间不同分为:常亮(如疏散方向指示灯和安全出口标志灯),火灾或停电时才亮(如双头灯);
c、按强启方式不同分为:消防控制室信号强启,充电检测线失电后自带电池供电强启;
d、按是否自带电池:自带电池,不自带电池;
e、按灯具所具有的光源个数不同分为:含有正常光源和应急光源的应急灯具,只含有应急光源的应急灯具。
我们先来讲只含有应急光源且自带电池的应急灯具,即只含有一个光源。从应急灯具接出来的线最多的情况有4根,一根照明线,一根充电/检测线,一根N线,一根PE线,如下图:

充电/检测线一端接市电,另一端接应急灯具的自带电池。顾名思义,这根线有双重作用,在市电保持有电的状态下,此线用作给应急灯具的自带电池充电,在市电失电的情况下,通过检测线,将市电的零压信号传送给自带电池,由自带电池供电给应急灯具,从而应急灯具点亮,达到启动应急灯具的作用。这是应急灯具在充电/检测线失电后自带电池供电的强启方式。为保证给应急灯具的自带电池充电,这根线一般情况下都是接通的,即有电状态。
平时/强启照明线的作用是:在非应急状态下,我们可以将此应急灯具作为普通灯看待和使用。非应急状态下,与双控开关S静触头1连接的导线处于有电状态,与双控开关S静触头2连接的导线处于失电状态。双控开关S(此双控开关非应急状态下其实是一个单联单控开关)可以实现此应急灯具的点亮和熄灭,打到静触头1时应急灯具点亮,静触头2时应急灯具熄灭。在应急状态下且市电有电的情况下,与双控开关S静触头1、2连接的导线都处于有电状态,这根线会实现应急灯具的强启,这是消防控制室信号强启方式。
PE线接的是应急灯具的外壳。
N线的作用不用说了吧。
所谓强启,是指在应急状态下将灯具点亮(非应急状态下点亮灯具不叫强启)。
应急灯具的强启分为两种:
a、充电检测线失电,由自带电池供电给应急灯具;
b、充电检线带电,应急照明强启线供电给应急灯具。
下面我们结合一个实际图例来讲解一下:

这是典型的双头灯接法,双头灯的特点是:
平时不亮,停电或者火灾时点亮。停电时应急双头灯具的启动。当停电时,充电检测线失电,继电器线圈失电,磁通为0,常闭触点闭合,将电池和应急灯具接通,灯具点亮。

火灾但不停电时应急双头灯具的启动。当火灾时,接触器的常开触点闭合,致使强启相线带电,从而接通应急灯具,达到强启的目的。此时,继电器的线圈承受220V的电压,常闭触点断开,自带电池与应急灯具断开,电池出于充电状态。

接下来按各种情况,停电,火灾,停电火灾。
| 型号 | 厂商 | 价格 |
|---|---|---|
| EPCOS | 爱普科斯 | / |
| STM32F103RCT6 | ST | ¥461.23 |
| STM32F103C8T6 | ST | ¥84 |
| STM32F103VET6 | ST | ¥426.57 |
| STM32F103RET6 | ST | ¥780.82 |
| STM8S003F3P6 | ST | ¥10.62 |
| STM32F103VCT6 | ST | ¥275.84 |
| STM32F103CBT6 | ST | ¥130.66 |
| STM32F030C8T6 | ST | ¥18.11 |
| N76E003AT20 | NUVOTON | ¥9.67 |