让找料更便捷
电子元器件
采购信息平台
生意随身带
随时随地找货
一站式电子元器件
采购平台
半导体行业观察第一站
标签:
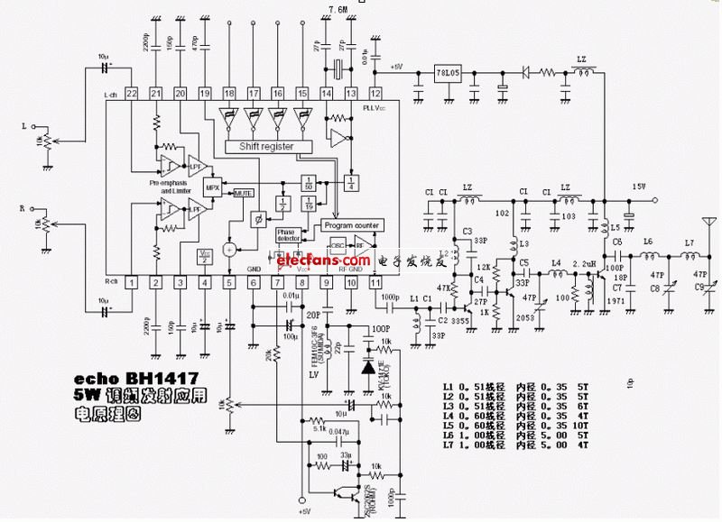
摘要: BH1417调频发射 如下所示,图中还给出了几个元件的性能参数,包括元件的内径
BH1417调频发射电路图如下所示,图中还给出了几个元件的性能参数,包括元件的内径:

一、电路工作原理
该光控路灯电路由电源电路、光控电路和控制执行电路组成。交流220V 电压经
VD1~VD4 整流、R1 限流、C1 滤波及VS 稳压后,为光控电路和执行电路提供+12V 工作电压。
白天,RG1 和RG2 受光照射而呈低阻状态,IC 的S1 端为低电平,R1 端为高电平,1
端输出低电平,VT 处于截止状态,K 处于释放状态,照明灯EL 不亮。
夜晚,RG1 和RG2 因无光照射或光照变弱而阻值增大,使IC 的S1 端变为高电平,R1
端变为低电平,Q1 端输出高电平,VT 饱和导通,K 通电吸和,其常开触头接通,EL 点亮。
天亮后,RG1 和RG2 阻值下降,IC 的Q1 端又输出低电平,VT 截止,K 释放,EL 熄灭。

二、元器件选择
IC 选用CD4013 或CC4013 型双D 触发器集成电路, VT 选用8050 或9014 型硅NPN
晶体管;RG1 和RG2 选用MG45 系列的光敏电阻器; VD1~VD5 均选用IN4007 或IN4004
型整流二极管。VS 选用1W、12V 稳压管,C1 选用耐压25V 的铝电解电容,C2 选用耐压16V
的铝电解电容,RP1 和RP2 选用普通电位器,R1 选用2W 的金属膜电阻器,R2~R4 选用普
通1/8 或1/4W 金属膜电阻器,K 选用12V 直流继电器,其触头电流容量视EL 功率而定。
三、制作与调试方法
电路元件选择正确,焊接无误后,即可使用,调节RP1 和RP2 的阻值,可以调节光控
的灵敏度。
| 型号 | 厂商 | 价格 |
|---|---|---|
| EPCOS | 爱普科斯 | / |
| STM32F103RCT6 | ST | ¥461.23 |
| STM32F103C8T6 | ST | ¥84 |
| STM32F103VET6 | ST | ¥426.57 |
| STM32F103RET6 | ST | ¥780.82 |
| STM8S003F3P6 | ST | ¥10.62 |
| STM32F103VCT6 | ST | ¥275.84 |
| STM32F103CBT6 | ST | ¥130.66 |
| STM32F030C8T6 | ST | ¥18.11 |
| N76E003AT20 | NUVOTON | ¥9.67 |