让找料更便捷
电子元器件
采购信息平台
生意随身带
随时随地找货
一站式电子元器件
采购平台
半导体行业观察第一站
标签:
摘要:ΒLY89 30W FM调频功率放大器电路 A amplifier of medium force RF for the FM, is always essential for the amateur tha...
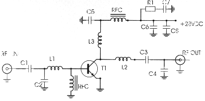
ΒLY89 30W FM调频功率放大器电路

A amplifier of medium force RF for the FM, is always essenTIal for the amateur that wants it strengthens some small transmitter, that likely it has already it manufactured! The present circuit can give force 25-30W, with control no bigger than 4-5 W. As it appears in the analyTIc drawing, the amplifier is manufactured with the transistor TR1 of type ΒLY89 of Phillips. The transistor this is specifically drawn for operaTIon in frequencies up to 175Μhz, with very good results. His special characterisTIcs appear below:
| · Tendency of operation: 18V |
| · Current of Collector: max 3 5th |
| · Gain: max 10dB |
| · Force of Expense: 25-30 W |
| · Output (order C): > 60% |
Variable capacitors C1, C2, with inductor L1, constitute the coordinated circuit that adapts the exit of our transmitter in this amplifier RF. the circuit has been calculated suitably, so that it covers all band the FM with the biggest possible output. Inductor RFC1 polarize the transistor, so as to it works in order C that is to say with the biggest output. Inductor L2 in the collector of TR1, constitutes the charge of amplifier, while RFC2 prevents the RF signals escape in the line of catering. Capacitor C2 and resistance R1, protect the circuit from auto polarize.

The coordinated circuit of expense that is constituted by inductor L2 and variable capacitors C3, C4, adapts the exit of amplifier RF with the next stage that can be some amplifier RF of high force (> 100W) or a aerial.MANUFACTUREThe manufacture of amplifier is very simple and easy. Puncture the point PCB that will pass the nutshell of TR1. Stick the capacitors, variable, the resistance, the RF tsok and the inductors. Finally you stick the TR1, being careful not overheats at the welding and blend pin his. Clean finally PCB from the residues of soldering. Make a very careful control for by any chance errors, omissions, short-circuits, chills you stick also anything other that could you make wonder why does not work the amplifier.PARTS
C1, C2, C3, C4 = 10 – 80pF |
C 5 = 10nF |
C6 = 1000pF |
C7 = 100nF |
C8 = 2200mF/35V |
L1 = 1 coil with diameter of 10 mms, 1 mm |
L2 = 7 coils with diameter of 10 mms, 0,8 mm |
L3 = 3 coils with diameter of 10 mms, 1 mm |
TR1 = BLY89 |
RFC = RF tsok |

Note:The TK1 needs a wiper of dimensions 5x10cm for trouble free operation. This wiper screw in the TR1 without isolators, after his central screw has electric isolation from remainder pins.

| 型号 | 厂商 | 价格 |
|---|---|---|
| EPCOS | 爱普科斯 | / |
| STM32F103RCT6 | ST | ¥461.23 |
| STM32F103C8T6 | ST | ¥84 |
| STM32F103VET6 | ST | ¥426.57 |
| STM32F103RET6 | ST | ¥780.82 |
| STM8S003F3P6 | ST | ¥10.62 |
| STM32F103VCT6 | ST | ¥275.84 |
| STM32F103CBT6 | ST | ¥130.66 |
| STM32F030C8T6 | ST | ¥18.11 |
| N76E003AT20 | NUVOTON | ¥9.67 |