让找料更便捷
电子元器件
采购信息平台
生意随身带
随时随地找货
一站式电子元器件
采购平台
半导体行业观察第一站
标签:
摘要: 简介: 本文分析了测温系统中恒流源信号调理模数转换等功能电路的工作原理和设计依据,并给出电路参数。温度是化工生产过程的四大参数之一,温度传感器Pt100具有体积小准确度高稳定性好等特点而被广泛应用于650℃以下的温度测量。
本文分析了测温系统中恒流源信号调理模数转换等功能电路的工作原理和设计依据,并给出电路参数。温度是化工生产过程的四大参数之一,温度传感器Pt100具有体积小准确度高稳定性好等特点而被广泛应用于650℃以下的温度测量。
Pt100测温系统以C8051F410片上系统为控制核心,系统的原理框图,如图1 所示.包括C8051F410片上系统恒流源驱动电路信号采集电路信号调理电路显示电路按键电路以及电源电路7个组成部分。

恒流源驱动温度传感器Pt100,将电阻信号(80.31~280.98 ) 转换成微弱的电压信号( 0.08~0.28V) , 在经信号调理电路转换成0~2. 2V之间的电压信号,C8051F410片上系统内部A/D对该电压信号进行采样,根据Pt100分度表及采样电压与电阻的关系,通过软件处理最终获得精确的被测温度值,在将其对应的数字量送入显示电路进行显示。
硬件电路设计
C8051F410片上系统基本外围接口
C8051F410片上系统是本测温系统的控制核心. 其基本外围接口电路是保证系统正常工作的辅助电路,包括C8051F410片上系统工作所需要的JATG接口电源退耦基准滤波上电复位等基本外围电路,如图2所示。

图2 C8051F410基本外围电路
恒流源电路
恒流源驱动电路负责驱动温度传感器Pt100,将其感知的随温度变化电阻信号转换成可测量的电压信号,实现R-V转换. 恒流源电路由运算放大器OP07 基准电压源电阻和三极管组成,为避免激励电流产生的热量影响测量精度,设计恒流源的大小为1mA. 具体实现如图3所示. VZ1是一个2.5V的稳压管,即U1-U3=2.5V; 根据运放的虚短原则,运算放大器OP07的同相端电压和反相端电压值相等,即U2=U3; 因此,电阻R31两端的电压U1-U2=2.5V; 可以计算出流经R31的电流为2. 5V/2. 5K =1mA. 根据运放虚断原理,可知,流过R31的电流将几乎全部流入复合管而不流入运放的反向端,则由复合管集电极输出电流为1mA,实现了高精度恒流源的设计。

图3 恒流源电路
设计中的关键点: 由LM336提供一个精密2.5V电压基准; R31是稳定性好的精密线绕电阻; 由两片9012组成复合管使电流放大系数 值增大,温漂系数减小,恒流值稳定。
编辑点评:本文简单介绍了热电阻测温电路的设计,本测温系统硬件采用三线制连接方式消除导线电阻对测量结果的影响,通过硬件滤波电路及软件数字滤波处理方法对系统干扰信号加以抑制,大大地提高了测量系统的精度和稳定性。
本智能报警系统充分利用现有电话网络进行设计,利用电话键盘操作电路、振铃识别电路、异地留言电路、自动识别主被叫摘挂机电路、双音频拨号(自振铃)电路等,解决报警不及时、漏报、误报等问题,并能提高电话接通率。主要用于家庭、店铺、办公室、具有贵重物品场所的防盗报警。
智能电话报警器硬件设计
主要电路设计
1、拨号电路
拨号电路采用HT9170和HT9200A分别作为双音多频(DTMF)信号接收器和发生器。自动拨号芯片采用串行式DTMF拨号芯片HT9200A,接收CPU送入的电话号码并向电话线送出双音多频信号,以使主叫和被叫用户之间建立联接。HT9200A的每一种输出频率由5位(D4~D0)不同的位码组合决定。当片选信号CE为低电平时,CPU通过P0.5口向HT9200A的数据输入端DATA串行输入5位编码,在CLK的下降沿将数据锁存,并从输出端DTMF通过模拟开关向电话线输送DTMF音调的拨号信号。
信号发生器HT9200A
HT9200A是一种串行式DTMF信号发生器,具有良好的温度适应性,其工作温度范围为-20~+70℃,采用8引脚DIP或SOP封装。
信号接收器HT9170
HT9170集成了数字解码器和带滤波器功能的双音频DTMF接收器,可工作在掉电模式和抑制模式下。HT9170采用数字化计算方法识别,将16倍的 DTMF音频解码后转化为4位代码输出。高精度的转换电容滤波器将音频DTMF信号分离为低频信号和高频信号,自带拨号音频阻波电路可省去前置滤波器所需的阻波电路。
2、自动摘挂机电路
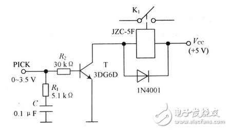
自动摘挂机电路如图1所示。由三极管反相放大电路和继电器组成。系统检测信号电平为0~3.5 V,当系统检测到报警信号时,主控系统使PICK变为高电平,三极管导通,继电器吸合,K1接通,系统自动摘机。当用户执行完命令操作之后(如向外报警过程完成后),主控系统给PICK一个低电平,三极管截止,继电器释放,开关K1断开,自动挂机。

图1 自动挂摘机电路
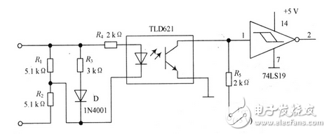
3、信号音检测电路
电话系统拨号音,回铃音和忙音的音源频率平均为450 Hz(±25 Hz),只是断续比不同,且在时间上有明显差异(拨号音为450±25 Hz连续信号,忙音为0.35 s通,0.35 s断,回铃音为1 s通,4 s断)。故信号音为模拟信号。信号音检测电路需完成模拟量到数字量的转换。信号检测电路见图2。采用光电耦合器检测信号,电阻R1,R2用于分压,R3,D用于分流,各元件的参数如图中标注。信号经光耦后输出负脉冲信号,输出采用带施密特触发的反相器74LS19进行信号处理,转变成数字信号,供主控系统计数。

图2 信号检测电路
计数时间为5 s,拨号音的计数下限为(450-25)&TImes;5=2 125,计数上限为(450+25)&TImes;5=2 375,即计数范围为2 125~2 375。同理,忙音的计数范围为1 041~1 212,回铃音的计数范围为425~475,无信号音的计数值应为0。故系统采用不同信号音相邻计数界限的中间值来区分不同的信号音。
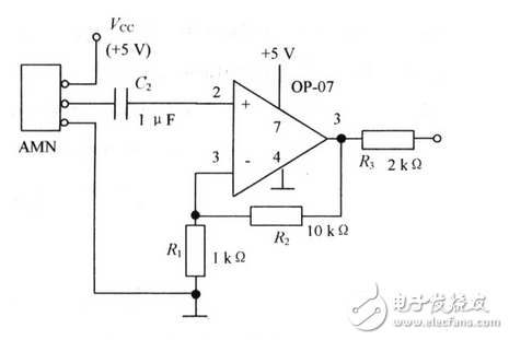
4、报警信号探测电路
报警信号探测电路如图3所示。本系统选用AMN型热释电红外传感器进行探测。用性能较好的OP-07放大信号,用单电源供电,放大倍数设为 10(Au=R2/R1=10),当有人进入其探测范围时,传感器的2号管脚输出正向电平,经放大后产生报警启动信号送主控制电路。
本报警器具有自动、快速、准确的特点,当警情发生时,能够自动拨打110,对方摘机后自动播放已录制好的语音报警内容。若遇到对方占线,能自动摘挂机,并能按照拨号、检测、放音的顺序自动循环。本报警器具有自动、快速、准确的特点,当警情发生时,能够自动拨打110,对方摘机后自动播放已录制好的语音报警内容。若遇到对方占线,能自动摘挂机,并能按照拨号、检测、放音的顺序自动循环。

图3报警信号探测电路
编辑点评:文本简单介绍了智能电话报警系统的电路设计,具有自动、快速、准确的特点,当警情发生时,能够自动拨打110,对方摘机后自动播放已录制好的语音报警内容。若遇到对方占线,能自动摘挂机,并能按照拨号、检测、放音的顺序自动循环。
| 型号 | 厂商 | 价格 |
|---|---|---|
| EPCOS | 爱普科斯 | / |
| STM32F103RCT6 | ST | ¥461.23 |
| STM32F103C8T6 | ST | ¥84 |
| STM32F103VET6 | ST | ¥426.57 |
| STM32F103RET6 | ST | ¥780.82 |
| STM8S003F3P6 | ST | ¥10.62 |
| STM32F103VCT6 | ST | ¥275.84 |
| STM32F103CBT6 | ST | ¥130.66 |
| STM32F030C8T6 | ST | ¥18.11 |
| N76E003AT20 | NUVOTON | ¥9.67 |