让找料更便捷
电子元器件
采购信息平台
生意随身带
随时随地找货
一站式电子元器件
采购平台
半导体行业观察第一站
标签:
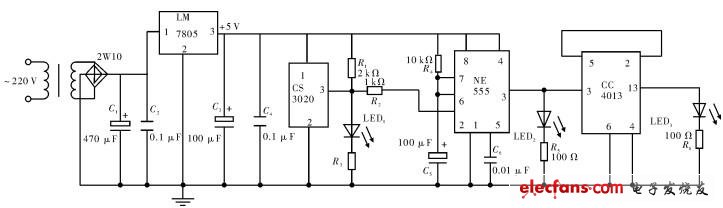
摘要:下图是由直流稳压电源、霍尔传感器、单稳态触发器和D触发器组成deep开关门自动照明电路。设计实现当有人推门而入时,室内照明灯会自动亮起;当有人推门而出时,照明灯会自动熄灭的控制功能。
下图是由直流稳压电源、霍尔传感器、单稳态触发器和D触发器组成deep开关门自动照明电路。设计实现当有人推门而入时,室内照明灯会自动亮起;当有人推门而出时,照明灯会自动熄灭的控制功能。
图 开关门自动照明电路原理图
-电子元器件采购网(www、oneyac、com)是本土元器件目录分销商,采用“小批量、现货、样品”销售模式,致力于满足客户多型号、高质量、快 速交付的采购需求。自建高效智能仓储,拥有自营库存超50,000种,提供一站式正品现货采购、个性化解决方案、选项替代等多元 化服务。
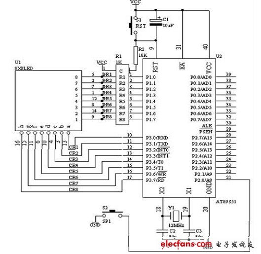
在8*8点阵式LED上显示实心五角星、圆点、心形图,通过按键来选择要显示的图形。
其电路原理图如下图所示:
图 基于单片机的点阵式LED显示简单图形的原理图
-电子元器件采购网(www、oneyac、com)是本土元器件目录分销商,采用“小批量、现货、样品”销售模式,致力于满足客户多型号、高质量、快 速交付的采购需求。自建高效智能仓储,拥有自营库存超50,000种,提供一站式正品现货采购、个性化解决方案、选项替代等多元 化服务。
| 型号 | 厂商 | 价格 |
|---|---|---|
| EPCOS | 爱普科斯 | / |
| STM32F103RCT6 | ST | ¥461.23 |
| STM32F103C8T6 | ST | ¥84 |
| STM32F103VET6 | ST | ¥426.57 |
| STM32F103RET6 | ST | ¥780.82 |
| STM8S003F3P6 | ST | ¥10.62 |
| STM32F103VCT6 | ST | ¥275.84 |
| STM32F103CBT6 | ST | ¥130.66 |
| STM32F030C8T6 | ST | ¥18.11 |
| N76E003AT20 | NUVOTON | ¥9.67 |