让找料更便捷
电子元器件
采购信息平台
生意随身带
随时随地找货
一站式电子元器件
采购平台
半导体行业观察第一站
标签:
摘要: 简介: ZVS即所谓零电压开关(ZVS)/零电流开关(ZCS)技术,或称软开关技术,小功率软开关电源效率可提高到80%~85%。接下来将详解介绍zvs原理及如何自制zvs的升压 以及它的操作步骤。
ZVS即所谓零电压开关(ZVS)/零电流开关(ZCS)技术,或称软开关技术,小功率软开关电源效率可提高到80%~85%。接下来将详解介绍zvs原理及如何自制zvs的升压 以及它的操作步骤。
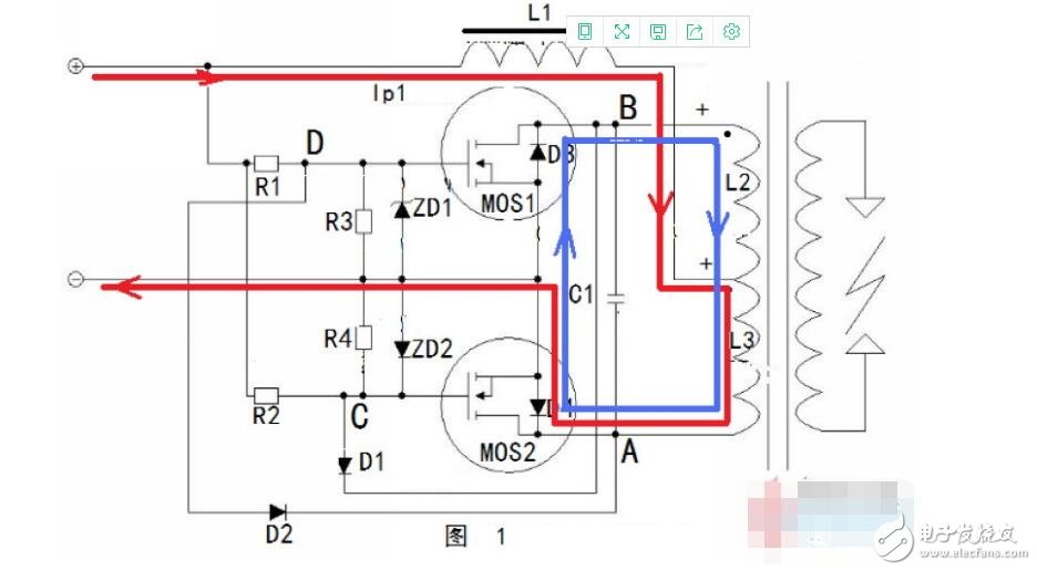
1. 上电瞬间,电源电压流经R1,R2,经过ZD1,ZD2稳压二极管钳位在12V后分别送入MOS1,MOS2的GS极,因此两个MOS管同时开通。
2. 因为元件参数的离散性(例如:MOS管GS钳位电压的离散性、MOS管本身跨导参数的离散性、变压器初级绕组不严格对称、走线长度差异等),导致两管DS电流在上电瞬间就不相同。假设下方的MOS管MOS2流过的电流稍大。即IL3》IL2。因为L2,L3是在同一磁芯上绕制,本身存在磁耦合,所以,对磁芯的励磁电流为IL2,IL3之和。之前提到IL3》IL2,而且从抽头看去,IL2,IL3的电流方向相反,所以对磁芯的励磁电流为Ip1=IL3-IL2。这样就可以等效为仅有L3线圈产生励磁作用(有一部分抵消掉L2的励磁)。明白这点以后,继续往下分析。

3. 见图1,在上电瞬间,L2,L3中的等效励磁电流Ip1用红色线条表示,因为具有相同的磁路,Ip1将在L2上产生一个互感电流,图中用蓝色线条表示,L2+L3与C1构成并联谐振,这个互感电流的方向同IL2相反,如此正反馈造成的结果是IL2越来越小,最终可单纯看做只有L3参与励磁。
4. 与此同时,B点电压升高,D1截止,C点电压保持12V,MOS2继续保持开通。因为MOS2开通时VDS很小,A点近似接地,D2导通,将D点电位强行拉低至0.7V左右,MOS1失去VGS而截止。
5. 随着时间推移,L3对磁芯的励磁最终达到磁饱和,大家注意,此时蓝色线条的电流因磁芯饱和失去互感刚好减到0,MOS1的DS上电压为零。而L3失去电感量而近似于一个仅几mΩ的纯电阻,瞬间大电流全部叠加在MOS2的导通电阻Ron上,使A点电位瞬间升高,D2截止,D点电位恢复至12V,MOS1获得VGS而导通(在VDS=0的情况下导通,故称ZVS)。继而B点近似接地,C点电压降到0.7V,MOS2截止,MOS1保持导通。当L2励磁达到饱和时电路状态再次发生翻转,重复第4过程。
6. 整个过程中,翻转的时间由谐振电容C1的容量和L2+L3共同决定,因为有C1构成谐振,初级电压波形呈完美正弦波,谐波分量大大减小,漏感的影响不复存在,因此变比等于匝比。L1为扼流电感,利用电感电流的不可突变特性,保证磁饱和瞬间MOS管的DS极不会流过巨大浪涌而损坏。这也是为什么不接此电感或者感量太小时,电路空载电流会增大,而且MOS管发热严重的原因。
因为利用了磁饱和原理,所以在磁芯工作在滞回线1,3象限的饱和临界点之间,磁芯的储能作用得以最大发挥,传递功率相当大。
zvs原装
实物电子元件连接图
4节锂电池为14.8V,电流以最大1C的放电率来算为2.6A,功率理论可以做到38.48W(不包括损耗)。变压器按照14比230来绕,不过不能带动某些负载如电动机等等,开关电源可以。
注意稳压管一定要加,防止GE击穿。二极管用400V以上的,还有那个谐振电容一定要有好的,如安规系列,用普通涤纶的会烧爆。
快恢复二极管一般用FR107、
电容器不用太贵的,用普通的电磁炉0.3uF电容两个并联就行了。
UF4007比FR307快得多,那个管子电流要求不是那么高。
注意。这个逆变器输出是高频正弦波交流电。电动机无法运作。凡是用传统铁芯变压器的也一概不好使。日光灯如果用电子镇流器。请把里面的整流用4007换FR107.节能灯同理。或者在外面用快恢复整流以后直接送进镇流器/节能灯。
开关电源。考虑到内部整流管的能力,也不一定可以。能行的话给开关电源换快恢复。或者干脆外部整流以后送进去。
想要带动电动机之类的需要50hz正弦波逆变器,那个就很很很复杂了。
至于变压器。拆个高压包,在磁芯上面自己绕。初级多股线并绕6圈中间抽头也就是3+3.次级60左右[这个变压器参数12V输入标准。输入电压有变请自行计算。]。电容用安规电容。但是功率稍大就发热。可以考虑用电磁炉。
注意初级不能开路,会烧管子的,在一个就是多准备些稳压管和快恢复,如果电容不好的话 击穿后容易烧稳压管和快恢复。
RS-485的使用已有一些时日,但因其信令、电压水平及实现的简单性, 迄今它仍是一种可用的网络技术。很多工程师常选用未针对具体应用进行优化的现成方案,所用部件超过实际所需的尺寸,如功耗更高的终端电阻,使EMI问题更加严重。本文讨论了几个关键因素可以帮助工程师迅速而精准地选对正确的方案,还提出了可增强设计性能的简单技巧。

虽然RS-485的使用已有一些时日,但因其信令、电压水平及实现的简单性, 迄今它仍是一种可用的网络技术。工业传感器也因为这些原因仍然在使用这种接口。由于RS-485不是最近出现的标准,很多工程师都选择使用现成的方案,这些方案并未针对具体应用进行优化,达不到人们期望的性能要求。结果,所用的部件超过实际所需的尺寸,如功耗更高的终端电阻,使EMI问题更加严重。本文所讨论的几个关键因素,可以帮助工程师迅速而精准地选对正确的方案。有关这个主题已经有许多著名的白皮书。本文补充了一些遗漏的细节,并提出了可增强设计性能的简单技巧。

图1:基本RS-485拓扑
有三种基本工具可以帮助设计师管理电磁干扰(屏蔽技术将在文章的最后单独说明)。
1.器件速度 2.收发器工作电压 3.端接电阻电流
速度
使用的波特率不要超过实际应用的要求,包括收发器的速度。收发器有不同的速度选项,它们会影响信号的上升/下降时间。举例来说,许多RS-485链路的速度在1Mbps以下,因此像TI的SN75HVD12DR这样的器件就是一种好的选择。对于128kbps速度的链路来说,速度低一些的Intersil器件就足够。
这些器件上升时间较慢(例如100ns), 但对这些应用来说已经足够,可以最大程度地减少电磁干扰辐 射。因为响应速度较慢,也降低了对附近噪声源的敏感度。请仔细阅读收发器的规范说明,因为许多标准器件将运行在10Mbps或更快的速度下,比这些链路通常所需的速度快得多。

表1:RS-485收发器及其速度举例
电压
电磁干扰幅度与任意信号的电压摆幅成正比,因此减小电压摆幅可以减小因连接而产生的电磁干扰。许多较新器件的额定工作电压是3.3V,可以满足RS-485信号标准的最低要求。在今天的许多系统设计中,3.3V要比5V更常用。如果使用更低的电压,我们需要放弃什么?在这个电压下,器件的速度和抗噪声能力可能会下降。但如果器件的额定速度满足要求,并且使用了屏蔽措施,那么3.3V的RS-485信号通常足够。需要重申的是,是否需要考虑所有相关条件并查阅数据手册,取决于设计师。为了抵抗浪涌,要在收发器输入端增加一个电容以避免出现信号劣化,除非计算出来的频率响应是信号速率(1/2波特率)的5-10倍。
RS-485的工作电压范围很宽,从200mV接收阈值到10V最大差分信号。2V峰-峰值通常是推荐的最小驱动电平,3.3V器件满足这个条件,同时又能很好地与5V供电器件连接, 因而能提供合理的信噪比, 特别是对较短距离的通信来说。记住,如果你需要高速(5MHz以上),那么你可能需要5V电源,请查阅相关的数据手册。
电流
电磁干扰问题本质上就是磁性问题,因此流经端接电阻的电流被认为是引起电磁干扰的一个因素。磁性干扰比较难控制,因为铜的相对磁导率大约为1,不管附近是否有屏蔽都可能引起干扰电路的耦合。较低的瞬态电流可以减少磁性特征,最大限度地减小与邻近其它电路的耦合。
我们如何做到这点呢?难道端接电阻值不是固定的吗?是的,只要线缆的“电长”相对于信号边沿速率来 说足够,它就不是固定的。没有规定说不能为了工程上的其它理由而增加这个值。若关心的主要问题是敏感度而不是辐射,这个终端电阻的阻值就越小越好。不过仍然需要进行折衷,如同其它所有工程设计那样。比较5V/120Ω系统和3.3V/499Ω系统就能发现,电流可以减小至1/6。
终端电阻
大多数人最初知道的电阻默认值是120Ω,分别跨接在网络远端的(+)和(-)数据端子上。但120Ω并不总是最好的选择,选用这个原始终端原本就是为了匹配商用双绞线阻抗。不管什么样的应用,即使短距离应用,也不要考虑不接终端电阻,因为它能提供很好的抗噪声能力。需要端接的理由有两个:
电缆的“ 电长” 足够, 能满足2·tp≥tr/5,其中tp是信号沿电缆单向传输的时间,tr是来自指定驱动器 的信号上升时间(10%-90%;请参考后面根据速度因子计算的信号传输时间)。如果电缆的“电长”不够,那么在调整终端(Rt)值时就可以更加灵活。这是选用慢速驱动器来满足应用要求的另一个理由。
*敏感度: *如果没有任何端接,SN75HVD12DR的接收器输入阻抗(单端)估计在109kΩ左右(基于最大输 入电流指标和引脚上的12V电压)。这么高的输入阻抗很容易受到PCB或电缆内邻近信号的串扰(如果屏蔽层内的电缆超过一对)。通过并联端接电阻可以降低这个阻抗值,最大程度地减小串扰,但代价是功耗会增大。建议做适当的折衷,永远不要放弃“免费的”抗噪声性能,一定要包含一定数值的终端。
优化端接电阻
需要回答的第一个问题是: 电缆的“电长”够吗?然后我们就能确定是否需要将电阻Rt与电缆阻抗匹配。回答这个问题可以从上面的等式2·tp≥tr/5开始。
加入前面驱动器的上升时间可以得到2·tp≥100ns/5,这样就得到了最大10ns的信号传输时间tp。这意味着从驱动器到对端电缆末端所需时间不到10ns(在到达第一个端接电阻之前)。接下来根据电缆电介质(及其速度因子)计算如何将这个要求转换为电缆长度。速度因子是信号沿着导体/电介质传播的速度与光在真空中传播速度之比。
VF(速度因子)=1/√εr (εr=相对介电常数或介电常数;例如,聚乙稀,εr=2.25)
因此速度=c·VF或c/√εr
例子:百通公司规定#9841电缆的速度因子为66%(绝缘体是聚乙稀,由上述公式计算得到66.6%)。如果没有规定VF,可以查找介电材料,然后用上述公式计算。
先计算电缆的最大长度(使用上面的100ns驱动器和10ns最大tp),然后找出与电缆阻抗匹配的端接电阻:

在这个例子中,长度小于1.98m(比如嵌入式应用机箱)的电缆不需要与之相配的端接电阻。那么如何选择Rt呢?可以不使用。然而如前所述,阻值较低的电阻可以减小敏感度。499Ω是一个好的起始值。对于5V信号,当电阻从120Ω变为499Ω时,每个电阻的静态功耗将从208mW下降到50mW。与无端接情况相比,这种做法有助于降低功耗和敏感度,从而实现鲁棒的通信链路。
对于非电池驱动的应用,我们为什么还要关心功耗呢?SMT元件在设计中已经变得非常小。一个0603 电阻的额定功率是100mW,若降额因数为50%,留给我们用的功率就只有50mW。499Ω的0603电阻满足要求,而208mW的原始设计需要1210尺寸的电阻。更高阻值的电阻有助于减小设计尺寸, 并使链路更加鲁棒。3.3V/499Ω信号则允许使用0402的端接电阻。
低功耗也意味着3.3V或5V电压轨可以不用电荷泵稳压器,这样可以减少器件数量,从而降低总成本。举例来说,凌力尔特公司的LTC3255可以采用4-48V直流输入,但输出限制为50mA。
管理共模电压
虽然RS-485是一种差分网络,但要想正确工作,必须满足有限共模(CM)电压限制要求。这意味着如果它们彼此呈悬浮态,则从一个节点到另一个节点需要一条地线。共模电压可能来自数字信号(使用二极管/电容),但一般来说它不抗噪。为了控制从一个模块到另一个模块的噪声,可以在地线上串联一个电 感。这样不仅可以通过任一根数据线控制直流共模电压,还能最大限度地减小射频回流。通常1μH的电感就可以提供很好的保护,因为它的阻抗在200MHz频率时超过1kΩ,但又不会因太高而干扰1Mbps或以下的通信。也可以采用共模扼流圈来提供额外的射频保护。
屏蔽
控制电磁干扰并不是说所有接地都悬浮于大地之上。一般来说,屏蔽层(如果用的话)的一端会连到末端的信号地或具有地线的节点,而屏蔽层的另一端则处于悬浮状态。在有可能发生严重磁性干扰的情况下,可能要求将屏蔽层的两端都接地。当电缆长度超过10m时,远端的屏蔽接地将被转换为“软地”(使用电容),以便通过屏蔽层(连接远程地)最大限度地减小低频干扰。使用电压源和寄生电容的噪声模型连接在相对地、导体和屏蔽层之间,这是一种明智的做法。图2中为基本的屏蔽构建了噪声模型。

图2:基本屏蔽结构的噪声建模
RS-485实现了能够对抗电磁干扰的简单网络,但在应用中必须理解各种选项,并运用合理的工程原理。在众多选项中, 不要简单地选用自己见过或用过的器件。市场上不断推出新器件,应综合考虑传输长度、器件速度、功耗要求以及将使用的电缆类型再做出选择。正确的选择有助于设计的最后成功。
| 型号 | 厂商 | 价格 |
|---|---|---|
| EPCOS | 爱普科斯 | / |
| STM32F103RCT6 | ST | ¥461.23 |
| STM32F103C8T6 | ST | ¥84 |
| STM32F103VET6 | ST | ¥426.57 |
| STM32F103RET6 | ST | ¥780.82 |
| STM8S003F3P6 | ST | ¥10.62 |
| STM32F103VCT6 | ST | ¥275.84 |
| STM32F103CBT6 | ST | ¥130.66 |
| STM32F030C8T6 | ST | ¥18.11 |
| N76E003AT20 | NUVOTON | ¥9.67 |